door lock relay где находится реле управления замков?
- hurmik1976
- Новичок

- Сообщения: 74
- pinterest kuchnie Warszawa
- Зарегистрирован: 08 авг 2006 22:07
- Контактная информация:
door lock relay где находится реле управления замков?
Кто-то сам подключал сигналку к нашему центральному замку? какие там контакты ассоциировать в блоке с сигналкой у которой КРАСНЫЙ/СИНИЙ, ЖЕЛТЫЙ, ЗЕЛЕНЫЙ/ЖЕЛТЫЙ и др.?
Classic SE,АКПП,черный,*333**76 
Re: door lock relay где находится реле управления замков?
ну и написал :derisive:hurmik1976 писал(а): Кто-то сам подключал сигналку к нашему центральному замку? какие там контакты ассоциировать в блоке с сигналкой у которой КРАСНЫЙ/СИНИЙ, ЖЕЛТЫЙ, ЗЕЛЕНЫЙ/ЖЕЛТЫЙ и др.?
первым делом вспомнился анегдот : "училка диктует задачу : один крокодил плывет на юг, другой на север. Вопрос сколько мне лет? .........."
Если я правильно расшифровал вопрос, то
машина НАК,
1 вопрос где находится блок "door lock relay ",
2 вопрос кто подключал сам сигналку себе,
3 вопрос нужнны цвета проводов , которые являются сигнальными для ЦЗ
4 вопрос собственно как подключить НЗ и НР контакты реле ЦЗ сиги к штатной проводке.
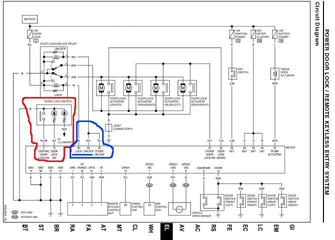
Попробую ответить с картинками (благодаря Артему)
ответ 1


ответ 2
я сам подключал себе комплекс охраны , правда для №16
ответ 3

надеюсь, что обозначения цветов совпадают с №16 (таблица из мануала к №16)

ответ 4
управляется замок по "-", соответственно релюшки должны замыкаться на корпус машины, а в нерабочем состоянии быть подвешанными в воздухе. В схеме на рисунке выше обвел красным и синим места возможного подключения. Синим цветом , на мой взгляд подключение "правильней". Хотя при таком подключении возможен повторный сигнал отк/закр на замки дверей, когда те открыты/закрыты. Это не есть хорошо. В любом случае надо тестить прежде, чем подключать. И еще один минус, я не разу не видел классик внутри. У себя, грубо говоря, подключался к кнопке на водительской двери, которая блокирует/разблокирует все двери (она управляет замками через "тайм контрол юнит", думаю, что этот блок имеет функцию ЦЗ тем самым не пропускает повторный сигнал на замки). Я не знаю есть такая кнопка у НАК. Сейчас 23:45 и разбираться с классиком просто лень.
в ответе использован

Последний раз редактировалось Alex 30 авг 2007 01:17, всего редактировалось 1 раз.
- hurmik1976
- Новичок

- Сообщения: 74
- Зарегистрирован: 08 авг 2006 22:07
- Контактная информация:
Re: door lock relay где находится реле управления замков?
Спасибо Alex за ответ. Вот такой "японской" схемы как у тебя в ответе №1 у меня небыло,поэтому я не знал где-ж всетаки этот модуль управления. По ответу №4: у нас тоже есть кнопка открыть/закрыть сразу все двери, но я хотел пошаговое открывание- сначала водительскую а потом остальные. Ну все равно спасибо ,хоть этот модуль знаю где ,да еще и весь "передок" теперь знаю.
Classic SE,АКПП,черный,*333**76 
Re: door lock relay где находится реле управления замков?
для корректной работы пошагового открытия надо будет купить блок ЦЗ (рублей за 300), тогда легко можно сделать чтобы повторных импульсов на замки не было. А на штатном ключе есть пошаговое открытие ?
Последний раз редактировалось Alex 30 авг 2007 04:04, всего редактировалось 1 раз.
- hurmik1976
- Новичок

- Сообщения: 74
- Зарегистрирован: 08 авг 2006 22:07
- Контактная информация:
Re: door lock relay где находится реле управления замков?
пошаговое есть
Classic SE,АКПП,черный,*333**76 
Кто сейчас на конференции
Сейчас этот форум просматривают: нет зарегистрированных пользователей и 0 гостей
