Блок предохранителей
-
MAXSIMUS
- Активный участник

- Сообщения: 122
- pinterest kuchnie Warszawa
- Зарегистрирован: 08 дек 2006 13:49
- Откуда: МОСКВА СТРОГИНО
Блок предохранителей
Всем привет! Подскажите пожалуста, на 16 альке назначения предохранителей в салоне. Проще говоря, какой и за что отвечает.
Re: Блок предохранителей
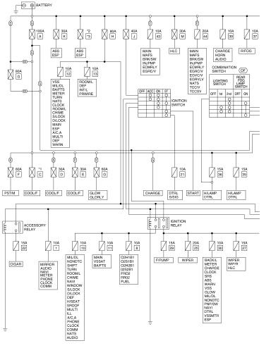
может поможет






Re: Блок предохранителей
Блока два. Один под капотом, второй за кармашком слева внизу на торпеде.
-
MAXSIMUS
- Активный участник

- Сообщения: 122
- Зарегистрирован: 08 дек 2006 13:49
- Откуда: МОСКВА СТРОГИНО
Re: Блок предохранителей
А те, что отвечают за фары по моему, в салоне слева. Умную книжку, пока не купил. При первой возможности, обязательно куплю.
Последний раз редактировалось MAXSIMUS 31 окт 2007 18:21, всего редактировалось 1 раз.
- Karzhimant
- Новичок

- Сообщения: 33
- Зарегистрирован: 10 окт 2007 00:14
Re: Блок предохранителей
Есть ещё 3-й ЧЯ у правого переднего крыла по ходу движения - там несколько реле,а вот что за реле непонятно!? Смотрел расшифровку салонного ЧЯ на кармашке - ничего не понял!
- CHERN
- Профи

- Сообщения: 2388
- Зарегистрирован: 18 сен 2006 22:57
- Имя: Илья
- Авто: Skoda Octavia 1,8TSI
- Откуда: Москва, Новокосино-Люблино
- Контактная информация:
Re: Блок предохранителей
Картинка предоставлена форумчанином 3ton'ом


1,8TSI APR st.2 [261л.с./390Нм]
- CHERN
- Профи

- Сообщения: 2388
- Зарегистрирован: 18 сен 2006 22:57
- Имя: Илья
- Авто: Skoda Octavia 1,8TSI
- Откуда: Москва, Новокосино-Люблино
- Контактная информация:
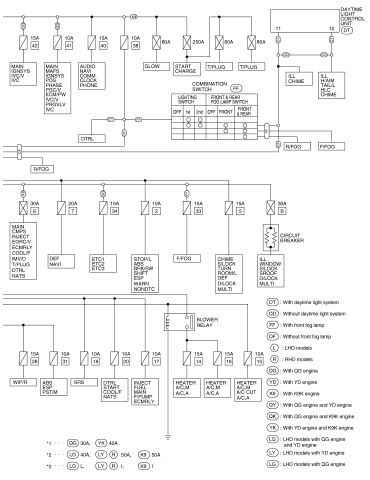
Re: Блок предохранителей
Картинки предоставлены форумчанином srskent




Кто сейчас на конференции
Сейчас этот форум просматривают: нет зарегистрированных пользователей и 0 гостей


